Citroen DS / ID Parts

-
Accessories / Gifts / Merchandise
-
Air intake and engine breather systems
Air filter and hoses, engine breather hoses, injection air hoses, inlet manifold etc. -
Battery
Battery retaining parts -
Brakes
Front and rear braking system parts, parking brake parts, brake control -
Body Rubbers
Seals, plugs, grommets, mudflaps etc. -
Bumpers
Front and rear bumper parts and mountings -
Front bumper / Number plate panel / Underpanel
-
Body embellishers
Pallas and Non Pallas trims and side mouldings, sill covers etc. -
Bonnet
-
Boot / Tailgate
Boot lid parts and boot sealing -
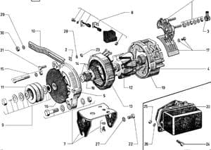
Charging system
Alternators, Regulators, Dynamos etc. -
Chassis and structure: Front part
Parts forward of the bulkhead, includes bonnet mounting panels on A posts -
Chassis and Structure: Middle part
All parts between the bulkhead and rear axle line. -
Chassis and Structure: Rear part
All structural parts from the C posts back -
Clutch
Clutch plate, pressure plate, thrust bearing, clutch linkage etc. -
Cooling System
Radiator, water pump, fan belts, hoses etc. -
Dashboard and instrument panel
-
Doors
Door repair sections, door skins, door seals, windows and mechanism, door handles and locks -
Drive Shafts
Drive shafts, drive shaft kits, triaxe joints, drive shaft gaiters -
Engine and gearbox mountings
-
ENGINE: Post - 1966 short stroke engine 1985cc / 2175cc / 2347cc
Parts for DS19 and Safari engines after September 1965 and ID19 engines after September 1966. Engine parts for Citroen DS20, DS21, DS23, ID20, ID21, D Super, D Special, D Super5 -
ENGINE: Pre-1966, 1911cc long stroke engine
Parts for DS19 and Safari engines until September 1965, ID19 engines until September 1966. -
Exhaust System
Manifold gaskets, studs and nuts, exhaust pipes and silencers, exhaust mountings and clamps -
Fuel system
Fuel filler, tank, lines, pump, filter, carburettor, accelerator linkage, injection system etc. -
Front lighting
Headlights, front indicators, headlight mounting, swivelling and levelling parts -
Front Wings
Front wings and repair sections, mountings, rubbers, in fact everything that's in or on a front wing. -
Gaskets, Gasket sets, oil seals
All engine gaskets, gasket sets and oil seals -
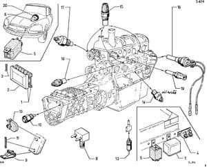
Gearbox
Gaskets, synchros, seals, gearbox parts etc. -
Glass and Mirrors
Windscreens, side windows, mirrors, window seals and rubbers -
Handles, Locks and Anti-theft device
Door handles, Lock barrels and housings, key blanks, ignition switch / steering lock -
Heating and Ventilation
Air ducts, heater matrix, heater controls, heater hoses, air conditioning, etc. -
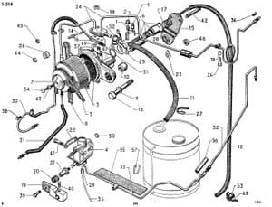
HYDRAULICS: Piping
Metal, rubber and nylon pipes, Pipe seals, pipe nuts, connectors. -
HYDRAULICS: Source and reserve of pressure
High pressure pump, Pressure regulator, accumulator and associated parts. -
Hub, front
Wheel bearing, ball joints etc. -
Hub, rear
Wheel bearings, seal and dust cap etc. -
Ignition system
-
Manual gear change control
-
Pedals
Pedal rubbers, clutch cables -
Radio
-
Rear Lighting / Interior lighting
Interior lights and switches, Rear indicators, brake and tail lamps etc. -
Rear wings
Rear wings and parts, rubbers incl rain gutters and elephant ears -
Relays, Switches and Sensors
-
Roof
Roof seals, brackets, roof frame repair sections, radio aerial etc. -
Seat Belts / Safety belts
-
Servicing and Tune up parts
General service items you are likely to need -
Semi-automatic system
All the parts for the clutch and gearchange controls on a semi automatic model (bvh) -
Starting
Starters, ignition switches, starter relay -
Steering
Steering rack, relays, trackrods, steering wheel, gaiters -
Suspension
Spheres, suspension cylinder gaiters and seals, height control components, suspension push rods, ball joints, bumpstop rubbers, anti roll bar etc. -
Upholstery and Carpet
Seats, seat covers, carpets, head lining, boot lining etc. -
Wheels, wheel accessories and Tyres
Wheels, tyres, wheel nuts, hub caps, spare wheel straps etc. -
Windscreen wash / wipe
Wiper arms, blades, washer pump, washer nozzle and hose, screen wash reservior -
Wiring
Looms, Connectors, Tape, Grommets etc.





















































